NYX
Грекийн шөнийн бурханы нэрээр нэрийдсэн, "I" ангиллын хөдөлгүүр бүхий NYX пуужин бол бидний сансарт хүрэх аяллын эхлэлийн цэг билээ.
Танилцуулга
NYX төсөл нь "I" ангиллын их чадлын пуужин бөгөөд үүний бүтээцэд custom хэмжээтэй хөдөлгүүр бүтээхээс гадна нийлмэл материалыг ашигласнаараа сонирхогчийн пуужингийн техникийн үндсэн шаардлагад нийцсэн, бүтээмж өндөртэй загвар болсон. NYX-ийн хөдөлгүүр нь Калийн-Нитрат болон Сорбитол агуулсан хатуу түлштэй. Дан шүхэр болон электроникийн хавтан бүхий зөөлөн газардуулах систем, дүрс цуглуулах камерыг өөртөө агуулна. Уг төслөөр дамжуулан их чадлын “LEVEL 1”-ийн гэрчилгээг гүйцэтгэл дээрээ тулгуурлан авсан.
Үзүүлэлт
Дээд цэг
1300 м
Дээд хурд
175 м/c
Импульс
458 н*с
Хөдөлгүүр
I-ангилал
Урт
1.1 метр
Диаметр
90мм
Масс
3.5 кг
Түлш
KNSB
Материал
Carbon fiber
Авионик систем
Apogee eggtimer
Дэд системүүд
Бүтээц
Бүтээцийн баг нь пуужингийн их биеийг загварчилж, fiberglass нийлмэл материалаар бүтээх, сэрвээ, урд хошуу, хөдөлгүүр тогтоох цагираг, холбогч хоолой зэргийн эзэлхүүний зохистой харьцааг тооцоолон загварчилж, пуужинг нисэх үеийн агаарын эсэргүүцэл хамгийн бага байх загварын дагуу бүтээдэг. Ийм төрлийн их биеийн хийцлэл нь механик бат бөх чанар сайтай байхаас гадна хөнгөн байна.
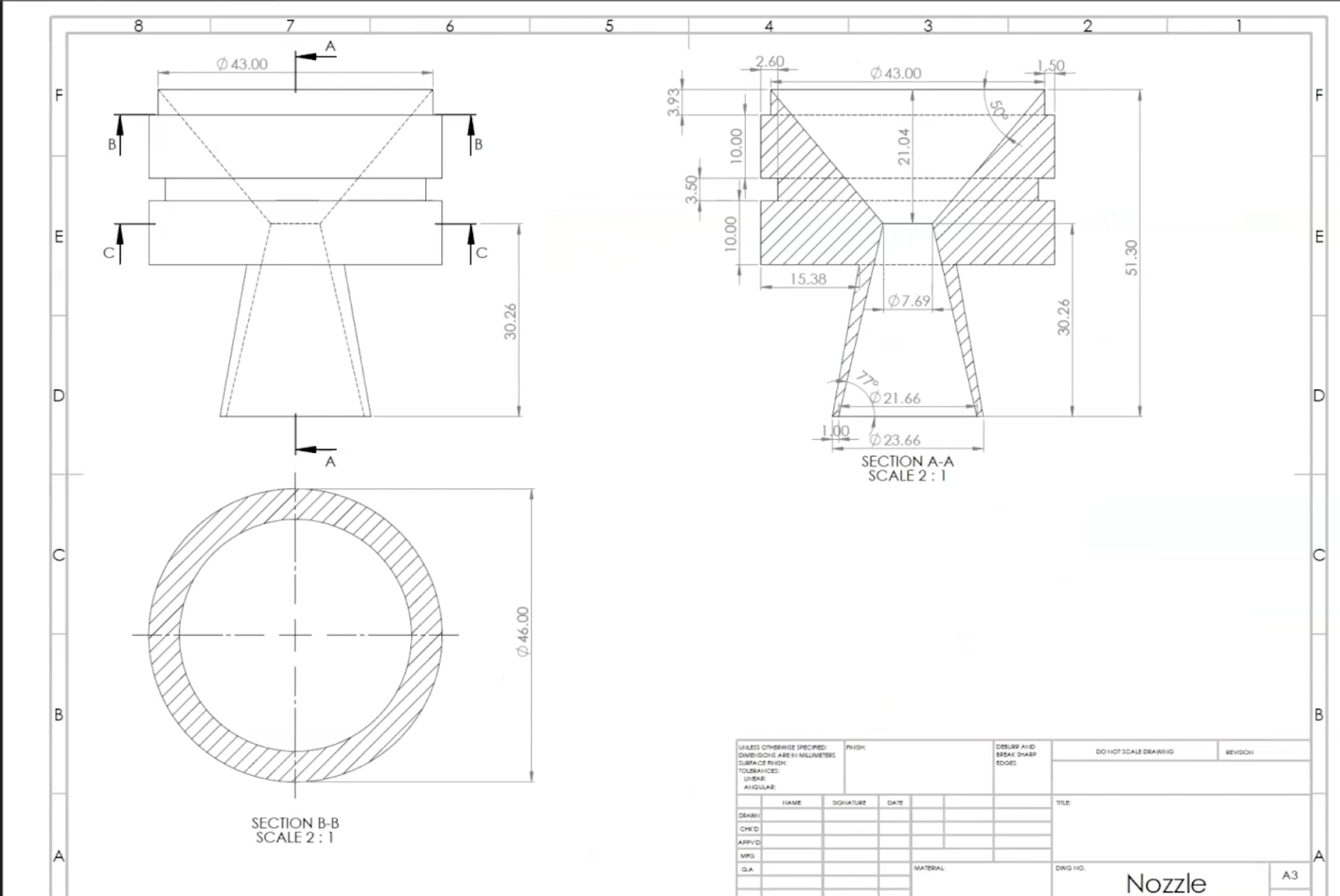
Хөдөлгүүр
Их чадлын I ангиллын хөдөлгүүрийг бүтээхдээ ашиглаж буй түлшний химийн найрлагад харгалзах импульсийг гаргаж чаддаг байхаар загварчилж, хөдөлгүүрийн бүрэлдэхүүн хэсгүүдийг хөдөлгүүр ажиллаж байх үеийн даралт температурыг тэсвэрлэдэг байхаар бүтээнэ.
Зөөлөн газардуулах систем
Recovery system буюу зөөлөн газардуулах систем нь пуужинд байрлах электроникийн жижиг хавтан, тэсрэх нунтаг, цахилгаан асаагч, шүхэр болон галд тэсвэртэй хучлаг зэргээс бүрдэнэ. Даралтын мэдрэгчээр пуужинг өндөрт гарсан үед автоматаар шүхэр задалж пуужин зөөлөн газардана.
Түлш
Калийн-Нитрат болон Сорбитол суурьтай химийн хатуу түлшийг ашиглан 43мм-ийн диаметр бүхий хөдөлгүүрээр тодорхой импульс үзүүлэн 1000 орчим метр өндөрт гарах чадалтай түлшийг бүтээх бүхий л үйл явцыг хамарна.
Статик тест
Хөдөлгүүрийн статик тест хийх нь хөдөлгүүрийг компьютер загварчлалын дагуу найдвартай ажиллаж байгааг дан ганц хэмжихгүй бөгөөд тестний хөдөлгүүрийн хүч хэмжих төхөөрөмжөөр хөдөлгүүрийн шатах үеийн нийт импульсийг хэмжин авч онолын тооцоололтой харьцуулж болох өгөгдлийг цуглуулах зорилготой.
Авионик – камер
Пуужингийн хөөрөх үеийн дүрсийг цуглуулах зорилготой масс болон овор хэмжээ багатай камерийг суурьлуулж өгсөн.
Галлерей












Төслүүд
Wonder
Engineer the future of Mongolian space gateway with us
We're designing and constructing a solid-fueled rocket capable of reaching the Kármán Line—100km above Earth. Join a team of exceptional engineers pushing the boundaries of aerospace technology.